现公布第2号补遗书,本补遗书作为招标文件的组成部分,与本补遗书不一致之处,以本补遗书为准:
一、将原招标文件招标公告中6.2、6.3内容变更为:
6.2递交投标文件的截止时间(投标截止时间,下同)为2018年4月23日9时00分,投标人应于当日8时30分至9时00分将投标文件递交至吉林省人民政府政务大厅(长春市人民大街9999号)4楼开标室。
6.3本次招标投标文件第一个信封(商务及技术文件)开标时间同投标截止时间,开标地点:吉林省人民政府政务大厅4楼开标室;第二个信封(报价文件)开标时间:2018年4月26日9时00分,开标地点:吉林省人民政府政务大厅4楼开标室。
二、将原招标文件第二章投标人须知前附表中5.1内容变更为:
投标文件第一个信封(商务及技术文件)开标时间:同投标截止时间
投标文件第一个信封(商务及技术文件)开标地点:同递交投标文件地点
投标文件第二个信封(报价文件)开标时间:2018年4月26日9时
投标文件第二个信封(报价文件)开标地点:吉林省人民政府政务大厅(长春市人民大街9999号)4楼开标室
招标文件中涉及到与之相关的内容,亦做相应更改。
三、招标文件补充说明
1、GQ01~GQ07工区的承建人可以作为联合体成员承担交通安全设施工程、机电工程、房建工程中的一项或多项工程,但应满足招标文件中资质及联合体等相关的要求。
2、招标文件中凡是涉及加盖投标人单位章或投标人的法定代表人或其委托代理人签字的,如采用联合体投标,投标人均指“联合体牵头人”。
3、第一册招标文件项目专用本第 200 页1-1授权委托书正文“本人 (姓名)系 (投标人名称)的法定代表人……”修改为“本人 (姓名)系 (承建人名称)的法定代表人……”,删除注2“以联合体形式投标的,本授权委托书应由联合体牵头人的法定代表人按上述规定签署”。
4、招标文件中各工区所需填报表格中的“投标人”均指承建人,其中:
(1)招标文件第一册项目专用本P202 “2-1 承建人基本情况表”中“投标人关联企业情况”变更为“承建人关联企业情况”,序号修改为(1)、(2)、(3)。
(2)招标文件第一册项目专用本P208 “2-7近年完成的类似项目情况表”脚注 “3.如近年来,投标人法人机构发生合法变更或重组或法人名称变更时,应提供相关部门的合法批件或其他相关证明材料来证明其所附业绩的继承性。” 将其中“投标人”变更为“承建人”。
(3)招标文件第一册项目专用本P210 “ 三、承建人的信誉情况”表格中的“投标人情况说明”变更为“承建人情况说明”。
(4)招标文件第一册项目专用本第 209 页 2-8 主要机电设备品牌、型号表,“注:提供所选机电设备的厂家彩页……,投标人所提供的产品……。投标人在上表中……。”修改为“注:提供所选机电设备的厂家彩页……,承建人所提供的产品……。承建人在上表中……。”其他内容不变,执行招标文件规定。
5、招标文件第一册项目专用本“投标人的出资情况”按P21投标人须知前附表10.4款执行;将第三章评标办法2.1.2第(1)条要求中的“公司出资情况工商查档证明”相应变更为“企业公司出资情况的工商查档证明或《国家企业信用信息公示系统》中相关出资信息的网页截图(证明材料中须可以明确查找或计算出投标人企业股东名称、出资比例等出资信息)”。
6、招标文件第二册项目专用本(房建)P130“七、项目管理机构”中“(一)项目管理机构组成表”不需在投标文件中填报。两个分工区人员配备可以重复。
7、施工组织设计施工进度计划可采用横道图或标明关键线路的网络图。
8、招标文件中注明不适用的表格在投标文件中可不提供,其他表格按招标文件中提供的格式填报。
9、主体GQ01~GQ07工区、机电GQ08工区、交安设施GQ09工区最终工程量清单以2018年4月4日发布的固化清单为准,房建GQ10工区以2018年4月4日补遗清单为准。
10、第二信封 “已标价工程量清单”GQ01~ GQ09工区建议装订成一册,GQ10可按分工区下发的纸质清单项目编号自行分册。
11、将招标文件第一册项目专用本 “第五章工程量清单”P147~P152(含1.工程量清单说明;2.投标报价说明;3.计日工说明;4.其他说明)全部作废,以本补遗下发的内容为准。
12、将招标文件第二册项目专用本(房建)“第五章工程量清单”P57~P85(含1.工程量清单说明;2.投标报价说明;3.计日工说明(无);4.其他说明;5.工程量清单)全部作废,以本补遗下发的内容为准。
13、将招标文件第二册项目专用本(房建)P6 投标人须知前附表1.1.4 项目名称由“ 铁科高速公路松原至通榆(吉蒙界)段高速公路建设项目房屋建筑工程”变更为“铁科高速公路松原至通榆(吉蒙界)段高速公路建设项目”。
14、将招标文件第二册项目专用本(房建)P113“第一个信封(承建人 商务及技术文件 目录”内容变更为:
一、投标函及投标函附录(不适用)
二、法定代表人身份证明(授权委托书)
三、联合体协议书(不适用)
四、投标保证金(不适用)
五、已标价的工程量清单
六、施工组织设计
七、项目管理机构
八、拟分包计划(不适用)
九、资格审查资料
十、其他材料
15、第一册招标文件项目专用本P194 页注释 3修改为“投标人应自行针对单位和个人(指法定代表人、投标文件中的总经理、副总经理兼总工)向人民检察院进行近三年行贿犯罪档案查询并提交查询结果原件。”
16、第一册招标文件项目专用本第 193 页银行信贷证明格式中注的第 2 条修改为“如采用银行信贷证明,必须在信誉良好的国有或股份制商业银行分行及以上级别开具”。
17、招标文件中各工区所需填报表格中的“标段”均修改为“工区”,其中:第一册招标文件项目专用本第 212页“附表一施工总体计划表”,表格上方“标段 ”修改为“工区 ”; 第一册招标文件项目专用本第 213页“附表二分项工程进度率计划(斜率图)”,表格上方“标段 ”修改为“工区 ”; 第一册招标文件项目专用本第 214页“附表三工程管理曲线”,表格上方“标段 ”修改为“工区 ”。
18、第一册招标文件项目专用本第 216页“附表五施工总平面图”修改为“附表五施工工区平面图”;原文“承建人应递交一份施工工区施工总平面图……”修改为“承建人应递交一份施工工区平面图……”。
19、招标文件第一册项目专用本“第二章投标人须知附录7资格审查条件(工区主要机械设备和试验检测设备最低要求)”部分设备数量做出修改如下:
附录7 资格审查条件(工区主要机械设备和试验检测设备最低要求)
|
设备名称 |
规格、功率及容量 或性能参数 |
GQ01~GQ07工区 最低数量要求(台、套) |
||||||
|
GQ01 |
GQ02 |
GQ03 |
GQ04 |
GQ05 |
GQ06 |
GQ07 |
||
|
(一)工区主要机械设备 |
||||||||
|
预应力智能张拉系统 |
1 |
1 |
1 |
1 |
||||
|
智能循环压浆系统 |
真空泵0.1MPa负压力,搅拌机转速不低于1000r/min |
1 |
1 |
1 |
1 |
|||
|
架桥机 |
1 |
1 |
1 |
1 |
||||
20、本项目房建工程招标范围:
服务区5处:让字服务区、泥林服务区、通榆服务区、兴隆山服务区、同发服务区;
收费站4处:乾安收费站、通榆东收费站、同发收费站、前进主线收费站;
收费站养护工区管理处4处:让字收管养、大布苏收管养、向海收管养、兴隆山收管养;
通榆北收费站管理分公司1处;
拐脖站收费站雨篷1处;
停车区移动公厕4处:赞字停车区、传字停车区、聚宝山停车区、三合停车区。
21、招标文件第二册项目专用本GQ10-1、GQ10-2施工工区科目名称对应的房建标段明细
让字服务区对应房建01A标段;让字收费站、管理处、养护工区对应房建01A标段;拐脖店收费站雨棚对应房建01A标段;乾安收费站对应房建01B标段;泥林服务区对应房建02A标段;大布苏收费站、管理处、养护工区对应房建02A标段;赞字、传字停车区移动公厕对应房建02A标段。
通榆东收费站对应房建02B标段;通榆服务区对应房建02B标段;通榆北收费站、管理分公司对应房建02B标段;向海收费站、管理处、养护工区对应房建03A标段;兴隆山服务区对应房建03B标段;兴隆山收费站、管理处、养护工区对应房建03B标段;同发收费站对应房建04标段;同发服务区对应房建04标段;前进主线收费站对应房建04标段;聚宝山、三合停车区移动公厕对应房建04标段。
22、本项目移动公厕投标价格标准每座不低于10万元。
四、对投标人提出问题的答复
1、第一册招标文件项目专用本P6页3.8项及P194页注释3与P45页3.5.4项说法不一致,请问“拟投入项目经理为子、孙公司人员”和“子、孙公司作为承建人”的情况,是否可在任意人民检察院开具无行贿犯罪记录查询书?贵州等地目前检察院提供的无行贿犯罪记录查询书,只有网络打印的带二维码的复印件,是否可以?另部分地方只能开具1份原件,在投标文件中是否可在一个地方附原件,其它地方放扫描件?
答复:(1)招标文件中关于“无行贿犯罪记录查询”应由“项目所在地”或“投标人(如为承建人,则应为承建人)住所地”检察机关职务犯罪预防部门出具;
(2)目前检察院提供的无行贿犯罪记录查询书,只有网络打印的带二维码的复印件,可以提供复印件,但应同时注明查询网址;
(3)如部分地方只能开具1份原件,在投标文件中可在一个地方附原件,其它地方放扫描件(注明原件放置位置)。
2、第一册招标文件项目专用本P20页第10.3项“证明材料(2)为保证评标工作的质量和进度,投标人在其投标文件中所附的证明材料(各种文书、证件等)应提供全本”。是否可不提供证书封面、封底、空白页?
答复:可以不提供“封面、封底、空白页”。
3、第一册招标文件项目专用本P45页3.5.3项第二段的“项目主要管理人员”是否应删除?
答复:查询的业绩信息应包括的内容按P23投标人须知”附录3 资格审查条件(业绩最低要求)”执行。
4、招标文件第一册项目专用本承建人投标文件、房屋建筑工程SY01 标段GQ10-1、GQ10-2第二册招标文件项目专用本(房建)招标文件目录与正文标题不对应,请问以哪个为准?
答复:以正文标题为准。
5、招标文件第一册项目专用本根据招标文件项目专用合同条款的18.6.1 项之规定,“本工程及工程设备是否进行试运行:GQ08 工区试运行(含机电工程的试运行,10KV 供电线路工程的验收),其他工区:否”。本项目GQ08 工区需进行试运行,但是,招标文件未对试运行的周期长度进行约定,请招标人予以明确。
答复:GQ08 工区需进行试运行周期长度在工程量清单中已明确。
6、招标文件第二册项目专用本(房建)P116 页“二、法定代表人身份证明”与P117 页“二、授权委托书” 序号相同,如何修改,请明确?
答复:无需修改。
7、招标文件要求,社保查询截止时为2017年或2018年,我单位在网上查询的投标人项目总经理社保个人缴费状态为:参保缴费,累计缴费月数为:290月。但没体现具体的截止时间,是否可行?
答复:按招标文件执行。
8、人员的业绩经历在交通部信用信息管理系统已体现,那么人员的毕业证、职称证、建造师证(已在住建部中国建造师查询网体现)、交安证(已在交通部三类人员查询系统体现)是否可不在交通部信用信息管理系统体现?
答复:按招标文件执行。
9、招标文件及图纸均未明确标段施工冬休期,请明确冬休时间。
答复: 按相关技术规范执行。
10、招标文件第一册项目专用本工区主要机械设备中“水泥混凝土搅拌站”、“基层稳定土拌合站”、“间歇式沥青拌合站”与设计图设计说明数量不一致,应以哪个数据为准?
答复:招标文件中的数量为最低要求数量,按招标文件中的相关要求执行。
11、房建部分砼是采用商品砼还是自拌砼。
答复:采用自拌砼。
12、纸质版清单中暂列金额明细表有金额是否与房建招标文件中表5.4.2施工工区投标报价汇总表中暂列金额“按900章合计金额的6%计列”冲突。
答复:按补遗后的清单及招标文件执行。
13、招标文件中报价范围中不包含加油站及其雨棚(部分描述为加油站及雨棚)不在报价范围,那收费站雨棚是否在报价范围内,这部分工程量比较大。
答复:收费站雨棚在本次招标范围之内。
14、工程量清单中 205-1-i-1 为粉喷桩,图纸中施工工艺为水泥搅拌桩,按何种工艺进行施工?
答复:按设计图纸要求施工。
15、工程量清单中 205-1-e-2 为超载预压,图纸中施工工艺为欠载预压,两者不统一。
答复:按设计图纸要求施工。
16、投标文件第一个信封(投标人商务及技术文件)书脊上的投标人名称是 否只需填写联合体牵头单位名称即可?投标文件第一个信封(承建人商务及技术文件)书脊上的投标人名称是填写承建人名称?还是与投标文件第一个信封(投标人商务及技术文件)书脊保持一致?
答复:所有投标文件(含工区)第一个信封书脊上明确项目名称、标段名称、投标人名称或联合体牵头人名称。
17、拟投入的副总经理兼总工的姓名体现在“全国公路建设市场信用信息 管理系统”网页截图的主要工程量信息中,是否满足要求?
答复:按招标文件执行。
18、本次投标文件第一个信封(投标人商务及技术文件)近年财务状况表是否可以按照招标文件第 196 页(三)近年财务状况表内小注第 3 条规定, 仅提供联合体牵头人的 2016 年财务报表即可。
答复:如采用联合体投标,仅提供联合体牵头人的 2016 年财务报表即可。
19、施工总平面图和施工总进度计划能否打印 A3 纸张,折叠为 A4 页面装订。
答复:可以。
20、招标文件第一册项目专用本第 224 页要求提供“三、合同用款估算表”。问题:合同用款估 算表是各工区分别出一份还是汇总在一起后出一份?
答复:按招标文件执行。
21、联合体各单位工程量划分标准如何确定。
答复:按工区划分用最高投标限价计算。
22、招标文件第一册项目专用本P15 页3.7.3 条明确第一信封签字盖章 要求,对第二信封工程量清单部分未明确是否要求注册造价工程师盖章;招标文件第二册(房建)P3.7.3 条明确要求工程量清单需注册造价工程师盖章。主体、交安、机电工程量清单部分是否也需要注册造价工程师盖章,如果盖章,是否盖公路造价师(甲级)印章。
答复:按招标文件执行。
23、请明确房建工程部分是否可以有专业分包
答复:不允许分包。
24、为便于与业主沟通协调,在总体平面布置中计划将项目总经理部与业主项目公司设置在同一城市。问题:可否告知办公地点。
答复:通榆县境内。
25、招标文件的第一册与第二册对投标文件电子版表述不太一致(第 一册表述为 U 盘内容是《投标文件关键内容摘录表》以及填写完毕的 的报价函和工程量固化清单电子文件;第二册表述为 U 盘是完整的投 标文件一份以及光盘一份)。请问是否可以理解为第一信封(商务技 术文件)不需要提供电子版,第二信封 U 盘电子版的内容为《投标文 件关键内容摘录表》、填写完毕的投标函、工程量固化清单电子文件、 工程量非固化清单电子文件),另外再刻录一份相应的光盘文件?
答复:按招标文件执行。
26、松原至通榆段 01 设计段《第三篇路基、路面》图号 S3-2-20 页路基路面填筑-时间曲线要求水泥搅拌段路基填筑路基时间+预压时间+填筑路面时间 为 31 个月(其中填筑路基 6 个月,预压 19 个月,填筑路面 6 个月),单招标文件要求公路工程在 2020 年 10 月 30 日前全部完成,根据设计图纸要求,不满足招标文件时间节点,请问能否缩短设计图纸填筑路基及填筑路面施工时间,使工期节点能满足招标文件要求?
答复:按招标文件执行。
27、03 设计段第一册设计图中 140+427.120 处分离式立交在第四册第三分册 中显示里程为 140+546.524,应以哪册数据为准。
答复:第一册桩号K4+427.120,为连接线桩号,第四册桩号140+546.524为分离立交与主线交叉桩号,不矛盾。
28、请提供 GQ03 施工工区图纸中的通让铁路的设计说明部分,以及通让公铁分离立交桥设计说明部分 ?
答复:通让铁路设计说明详见02设计段第六篇路线交叉说明书分离式立体交叉部分。分离立交设计标准、主要材料、设计要点及施工注意事项同主线大中桥,详见第四篇“桥梁、涵洞”部分相关说明。
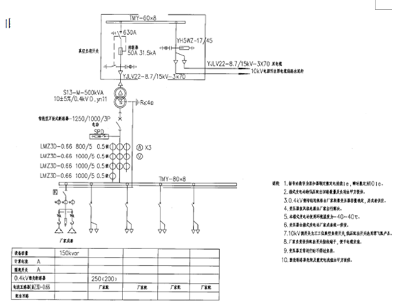
29、GQ08 工区: 1、GQ08 工区的 10KV 供电线路工程部分,招标图纸中的组合型成套箱式变电站无相关技术要求,尤其是低压部分没有给出负载性质及容量(如下图所示), 请提供详细图纸。

答复:
500kVA箱变相关技术要求
1 接线方式
箱式变电站高 、低压母线接线均为单母线接线。
2 设备选择(参考型号)
箱式变电站:欧式-12/0.4-500kVA 一座(详见电气接线图),箱式变电站附带变压器。
箱式变电站箱体:箱体应有安全可靠的防护性能,防护等级不低于IP43D,能满足户外全天候运行,即能防止直径大于1mm的固体异物进入壳内、能防止与垂直成60度范围的淋水的影响。
主变压器:S13-M-500kVA, 10±5%/0.4kV, D,yn11。
高压:1)采用空气绝缘负荷开关柜。
2)避雷器:HY5WZ-17/45。
低压:1)二次主空气开关:万能型智能式断路器,电动操作;
2)低压配出开关:塑壳断路器;
3)电流互感器:LMZ3D-0.66型。
3 保护
高压设熔断器保护,事故情况下熔断器熔断,并联锁拉开负荷开关,低压设脱扣器保护。
4 接地
箱式变电站四周设接地网,其接地电阻要求不大于4Ω。要求箱式变电站外壳及主变压器中性点与接地网可靠焊接。
5 计量及负控
计量方式:高供低计,低压负控计量箱1套,安装有功S1.0/无功2.0及3*1.5(6)A、3*220 /380V三相四线费控智能电表1块,作为计量使用。低压侧安装专变采集终端1套。要求低压主开关断路器设AC220V分励脱口器。
6 其他
6.1 要求厂家箱式变电站,所有箱式变电站的电缆进出线管由土建预埋。
6.2 箱式变电站围栏范围内不应有其他管线通过。
6.3 箱式变电站箱体上应设置设备标志牌、"当心触电" 警告标识牌,标志牌安装在巡视通道侧箱体左上角,安全警示牌安装在设备箱体两侧中间位置;设备围栏四周应设"止步 高压危险 " 警告标识牌。箱式变电站内电缆应在适当位置粘贴或悬挂电缆标识牌。
250kVA箱变相关技术要求
1 接线方式
箱式变电站高 、低压母线接线均为单母线接线。
2 设备选择(参考型号)
箱式变电站:欧式-12/0.4-250kVA 一座(详见电气接线图),箱式变电站附带变压器。
箱式变电站箱体:箱体应有安全可靠的防护性能,防护等级不低于IP43D,能满足户外全天候运行,即能防止直径大于1mm的固体异物进入壳内、能防止与垂直成60度范围的淋水的影响。
主变压器:S13-M-250kVA, 10±5%/0.4kV, D,yn11。
高压:1)采用空气绝缘负荷开关柜。
2)避雷器:HY5WZ-17/45。
低压:1)二次主空气开关:万能型智能式断路器,电动操作;
2)低压配出开关:塑壳断路器;
3)电流互感器:LMZ3D-0.66型。
3 保护
高压设熔断器保护,事故情况下熔断器熔断,并联锁拉开负荷开关,低压设脱扣器保护。
4 接地
箱式变电站四周设接地网,其接地电阻要求不大于4Ω。要求箱式变电站外壳及主变压器中性点与接地网可靠焊接。
5 计量及负控
计量方式:高供低计,低压负控计量箱1套,安装有功S1.0/无功2.0及3*1.5(6)A、3*220 /380V三相四线费控智能电表1块,作为计量使用。低压侧安装专变采集终端1套。要求低压主开关断路器设AC220V分励脱口器。
6 其他
6.1 要求厂家箱式变电站,所有箱式变电站的电缆进出线管由土建预埋。
6.2 箱式变电站围栏范围内不应有其他管线通过。
6.3 箱式变电站箱体上应设置设备标志牌、"当心触电" 警告标识牌,标志牌安装在巡视通道侧箱体左上角,安全警示牌安装在设备箱体两侧中间位置;设备围栏四周应设"止步 高压危险 " 警告标识牌。箱式变电站内电缆应在适当位置粘贴或悬挂电缆标识牌。
630kVA箱变相关技术要求
1 接线方式
箱式变电站高 、低压母线接线均为单母线接线。
2 设备选择(参考型号)
箱式变电站:欧式-12/0.4-630kVA 一座(详见电气接线图),箱式变电站附带变压器。
箱式变电站箱体:箱体应有安全可靠的防护性能,防护等级不低于IP43D,能满足户外全天候运行,即能防止直径大于1mm的固体异物进入壳内、能防止与垂直成60度范围的淋水的影响。
主变压器:S13-M-630kVA, 10±5%/0.4kV, D,yn11。
高压:1)采用空气绝缘负荷开关柜。
2)避雷器:HY5WZ-17/45。
低压:1)二次主空气开关:万能型智能式断路器,电动操作;
2)低压配出开关:塑壳断路器;
3)电流互感器:LMZ3D-0.66型。
3 保护
高压设熔断器保护,事故情况下熔断器熔断,并联锁拉开负荷开关,低压设脱扣器保护。
4 接地
箱式变电站四周设接地网,其接地电阻要求不大于4Ω。要求箱式变电站外壳及主变压器中性点与接地网可靠焊接。
5 计量及负控
计量方式:高供低计,低压负控计量箱1套,安装有功S1.0/无功2.0及3*1.5(6)A、
3*220 /380V三相四线费控智能电表1块,作为计量使用。低压侧安装专变采集终端1套。要求低压主开关断路器设AC220V分励脱口器。
6 其他
6.1 要求厂家箱式变电站,所有箱式变电站的电缆进出线管由土建预埋。
6.2 箱式变电站围栏范围内不应有其他管线通过。
6.3 箱式变电站箱体上应设置设备标志牌、"当心触电" 警告标识牌,标志牌安装在巡视通道侧箱体左上角,安全警示牌安装在设备箱体两侧中间位置;设备围栏四周应设"止步 高压危险 " 警告标识牌。箱式变电站内电缆应在适当位置粘贴或悬挂电缆标识牌。
低压部分没有给出负载性质及容量问题回复:
松原至通榆高速公路供电厂区箱变均为出口引电缆线路一回至总低压配电柜(低压配电柜由房建负责设计)。拐脖店收费站除外(拐脖店厂区为增容,即将400箱变改为500箱变增加一个250(200)回路,其他原回路不变。)
30、清单中的模板,有的列在清单里,有的未列,例如02A标段,大布苏收管养办公楼【建筑】未列模板清单,而同册第266页污水处理池【建筑】列有模板清单,请问此类费用应统计在措施费里还是按分部分项清单统计在清单分部分项清单中?
回复:《房屋建筑与装饰工程工程量计算规范》GB 50854-2013,规定模板工程属于现浇砼清单子目下的“工作内容”,内容包括砼施工过程的全部工艺,可不在清单“项目特征”中表述;模板费用应在”分部分项工程和单价措施项目清单与计价表”砼清单项内报价。单独开列模板清单项的需要计算模板超高增加费。
31、招标文件项目专用本中规定房建工区安全生产费为限价的 2%计列,所下发的纸质版清单措施费中含有“安全文明施工费”,如果计取是不是重复计费, 能否不用计列。
回复:安全生产费 2%不适用房建工程;安全文明施工费应按国家、省级或行业建设主管部门的规定计价,不得作为竞争性费用(本项目安全文明施工费执行“吉林省住房和城乡建设厅关于调整建筑、市政工程安全文明施工费费率的通知”(吉建造[2018]1号))。
附件1. 招标文件第一册项目专用本 “第五章工程量清单”P147~P152(含1.工程量清单说明;2.投标报价说明;3.计日工说明;4.其他说明)。
附件2. 招标文件第二册项目专用本(房建)“第五章工程量清单”P57~P85(含1.工程量清单说明;2.投标报价说明;3.计日工说明(无);4.其他说明;5.工程量清单)。
吉林省松通高速公路有限公司
长春建业集团股份有限公司
2018年4月4日
投标人在收到本通知后,请在24小时内予以回函确认,否则,由此引发的一切后果由投标人自行负责。(传真:0431-81808102;邮箱:jianyezb@163.com),确认函形式如下:
|
确 认 函 长春建业集团股份有限公司: 我单位已收到贵公司发出的《铁科高速公路松原至通榆(吉蒙界)段高速公路建设项目施工 招标文件第2号补遗书》共11页,字迹清晰可辨,现以书面形式确认已收到此通知。 投标人: (填写全称并盖章) 2018年 月 日 |
| 附件2松通招标文件第二册房建施工招标文件第五章工程量清单修改.doc |
| 附件1松通招标文件第一册施工主体第五章工程量清单修改.doc |